SHJZ 6019-2RS1 轴承 6019 2RS1 尺寸 95*145*24mm 深沟球轴承 6019
深沟球轴承
TEL: +86 0531-82360225
PHONE: +86 13356660892
E-MAIL: Michael@shjzbearings.com

产品详情


SHJZ 6019-2RS1轴承 6019 2RS1尺寸95*145*24mm深沟球轴承6019

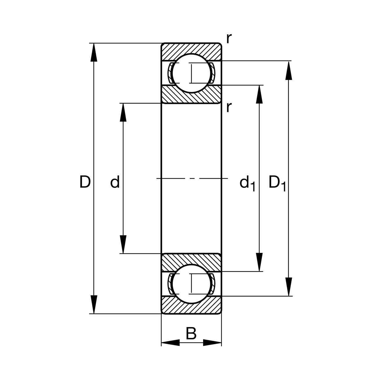
型号

6019-2RS1

品牌

SHJZ

内径

95mm

外径

145mm

宽度

24mm

密封件类型

打开

保持架材质

精度等级

P0 P6 P5 P4 全部可用

清除

C2 C0 C3 C4 C5 全部可用

产品材质

铬钢GCr15

重量

0.8kg

结构

深沟球轴承

深沟球



——现在!迈出合作的第一步

免费报价是免费的,您还在等什么?

立即报价

相关建议